Contents:

1. Sunroof switch
2. Sunroof motor & controller
3. Sunroof

1.Disconnect the negative (-) battery terminal.
2.Open the sunglass case cover from the overhead console and remove the 2 screws holding the overhead console. Disconnect the switch connector and Map lamp connector, and then remove the overhead console lamp (A).

3.Check for continuity between the terminals.


1.Disconnect the negative (-) battery terminal.
2.Remove the roof trim.(Refer to Body - "Roof Trim")
3.Disconnect the sunroof motor connector.

4.Ground the terminals as below table, and check that the sunroof unit operates.
• When inspecting the sunroof motor operation, sunroof motor and roller blind motor always should be connected.

5.Make these input tests at the connector. If any test indicates a problem, find and correct the cause, then recheck the system. If all the input tests prove OK, the sunroof motor must be faulty; replace it.
| Terminal | Test condition | Test : Desired result |
| 3 | IG2 ON | Check for voltage to ground : There should be battery voltage. |
| 1 | Under all conditions | Check for continuity to ground : There should be continuity. |
| 6 | Under all conditions | Check for voltage to ground : There should be battery voltage. |
1.Turn the ignition key to the ON position and then close the sunroof completely.
2.Release the sunroof control lever.
3.Press and hold the CLOSE button for more than 10 seconds until the sunroof closed and it has moved slightly.
4.Release the sunroof control lever.
5.Press and hold the CLOSE button once again within 5 seconds until the sunroof do as follows;
• Tilt → Slide Open → Slide CloseThen release the lever.
6.Reset procedure of panorama system is finished.
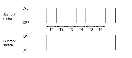
1.The sunroof ECU detects the Run- time of motor
2.Motor can be operated continuously for the 1st run-time (120 ± 10sec.).
3.The continuous operation of motor stops after the 1st Run-time (120 ± 10sec.).
4.Then Motor is not operated for the 1st Cool-time (18 ± 2sec.).
5.Motor is operated for the 2nd Run-time (10 ± 2sec.) at the continued motor operation after 1st Cool-time (18 ± 2sec.)
6.The continuous operation of motor stops operating after the 2nd Run-time (10 ± 2sec.)
7.Motor is not operated for the 2nd Cool-time (18 ± 2sec.).
8.Motor repeats the 2nd run-time and 2nd cool-time at the continued motor operation.
– In case that motor is not operated continuously, the run-time is increased.
– The Run-Time of motor is initialized to "0" if the battery or fuse is reconnected after being disconnected, discharged or blown.

Hyundai Accent (HC) (2017 - 2022) Service Manual: Owner maintenance
WARNING Performing maintenance work on a vehicle can be dangerous. If you lack sufficient knowledge and experience or the proper tools and equipment to do the work, have it done by an authorized HYUNDAI dealer. ALWAYS follow these precautions for performing maintenance work: Park your vehicle on level ground, move the shift lever into the P (Park, for intelligent variable transmission vehicle) position or neutral (for manual transmission vehicle), apply the parking brake, place the ignition switch in the LOCK/OFF position.Hyundai Accent (HC) (2017 - 2022) Service Manual: Engine Control Module (ECM)
- ECM Terminal and Input/Output signal [M/T] ECM Terminal Function (M/T) Connector [A] Pin NoDescription 1- 2- 3Injector (Cylinder #1-1) [Low] control output 4Injector (Cylinder #1-2) [Low] control output 5- 6- 7- 8- 9- 10- 11Electric EGR Control Valve gorund 12Engine Coolant Temperature Sensor (ECTS) #2 ground 13Ignition Coil (Cylinder #1) control output 14- 15Ignition Coil (Cylinder #4) control output 16Thermal Management Module (TMM) Motor ground 17- 18Engine Cool